مصنوعات کی تفصیل
PF400 سیریز وزنی پریشر سینسر، جو لوڈرز اور فورک لفٹ جیسے آلات میں ہائیڈرولک لوڈنگ کے لیے ڈیزائن کیا گیا ہے، درست پیمائش کے لیے دھات پر مبنی دباؤ کے لیے حساس چپ پیش کرتا ہے۔ 0.2% FS درستگی کے ساتھ، یہ متحرک اور جامد وزن کے کاموں کے مطابق ہے، جیسے کھدائی کرنے والی بالٹیوں میں آبجیکٹ کے وزن کا تعین کرنا۔ تمام ویلڈڈ سٹینلیس سٹیل کا ڈیزائن سخت حالات میں پائیداری کو یقینی بناتا ہے، جو کہ مضبوط جھٹکے اور اعلی درجہ حرارت کی مزاحمت کے ساتھ آؤٹ پٹ اور کنکشن کی ایک رینج پیش کرتا ہے۔ IP65 اور IP67 کی درجہ بندی کرنے والے، یہ سینسر طویل مدتی استحکام اور اعلیٰ درستگی فراہم کرتے ہیں، جو انہیں تجارت اور صنعت میں مختلف ایپلی کیشنز کے لیے موزوں بناتے ہیں۔
مصنوعات کی خصوصیات
- کومپیکٹ سائز اور ہلکا وزن، مختلف وزنی ایپلی کیشنز میں انسٹال کرنا آسان بناتا ہے۔
- اچھی طویل مدتی استحکام اور 0.2%FS تک اعلیٰ درستگی کی پیشکش، وقت کے ساتھ درست پیمائش کو یقینی بنانا۔
- مختلف وزنی آلات کے ساتھ ہم آہنگ،
- اچھی جھٹکا مزاحمت اور اوورلوڈ صلاحیت، سخت حالات میں قابل اعتماد آپریشن کے لیے سنکنرن اور اعلی درجہ حرارت کی مزاحمت کے ساتھ۔
- کہیں بھی انسٹال کرنے کی صلاحیت کے ساتھ، دونوں جامد اور متحرک دباؤ کی پیمائش کی حمایت کی
مصنوعات کی تفصیلات
|
پیمائش کی حد (MPa) |
1-6 |
16-60 |
70 |
100 |
|
اوورلوڈ دباؤ |
200% |
200% |
150% |
|
|
پھٹ دباؤ |
2000% |
1000% اور 400MPa سے کم یا اس کے برابر |
400MPa سے کم یا اس کے برابر |
|
|
درستگی |
±0.2%F.S,±0.3%F.S |
|||
|
طویل مدتی استحکام |
±0.2%FS/سال |
|||
|
آؤٹ پٹ |
4-20mA,mv سگنل |
|||
|
بجلی کی فراہمی |
8-32VDC، 5VDC |
|||
|
زیرو پوائنٹ درجہ حرارت میں اضافہ |
±0.1%FS/10 ڈگری |
|||
|
مکمل رینج درجہ حرارت بڑھے |
±0.3%FS/10 ڈگری |
|||
|
جواب وقت |
1ms سے کم یا اس کے برابر |
|||
|
پائیداری |
107دباؤ کے حلقے |
|||
|
موصلیت مزاحمت |
1000MΩ/500VDC سے بڑا یا اس کے برابر |
|||
|
حساس اجزاء کا مواد |
٪7b٪7b0٪7d٪7dPH |
|||
|
لوڈ |
موجودہ آؤٹ پٹ کی قسم: RL 50× سے کم یا اس کے برابر (Vcc-8 )Ω وولٹیج آؤٹ پٹ کی قسم: RL 2KΩ سے بڑا یا اس کے برابر |
|||
|
آئی پی کی درجہ بندی |
IP65، IP67 |
|||
|
درمیانی درجہ حرارت کی حد |
-40~+105 ڈگری |
|||
|
جھٹکا |
50g,11ms, GB/T2423۔{3}} |
|||
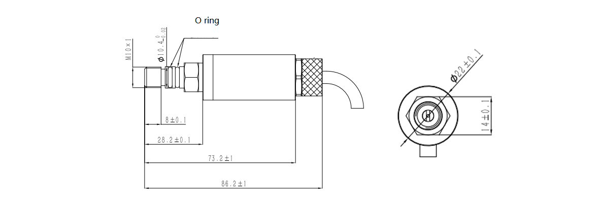
مصنوعات کے طول و عرض

ڈاؤن لوڈ، اتارنا ٹیگ: وزن کے لیے پریشر سینسر، وزن مینوفیکچررز، سپلائرز کے لیے چین پریشر سینسر
مصنوعات کی خصوصیات
- کومپیکٹ سائز اور ہلکا وزن، مختلف وزنی ایپلی کیشنز میں انسٹال کرنا آسان بناتا ہے۔
- اچھی طویل مدتی استحکام اور 0.2%FS تک اعلیٰ درستگی کی پیشکش، وقت کے ساتھ درست پیمائش کو یقینی بنانا۔
- مختلف وزنی آلات کے ساتھ ہم آہنگ،
- اچھی جھٹکا مزاحمت اور اوورلوڈ صلاحیت، سخت حالات میں قابل اعتماد آپریشن کے لیے سنکنرن اور اعلی درجہ حرارت کی مزاحمت کے ساتھ۔
- کہیں بھی انسٹال کرنے کی صلاحیت کے ساتھ، دونوں جامد اور متحرک دباؤ کی پیمائش کی حمایت کی
مصنوعات کے طول و عرض

مصنوعات کی تفصیلات
|
پیمائش کی حد (MPa) |
1-6 |
16-60 |
70 |
100 |
|
اوورلوڈ دباؤ |
200% |
200% |
150% |
|
|
پھٹ دباؤ |
2000% |
1000% اور 400MPa سے کم یا اس کے برابر |
400MPa سے کم یا اس کے برابر |
|
|
درستگی |
±0.2%F.S,±0.3%F.S |
|||
|
طویل مدتی استحکام |
±0.2%FS/سال |
|||
|
آؤٹ پٹ |
4-20mA,mv سگنل |
|||
|
بجلی کی فراہمی |
8-32VDC، 5VDC |
|||
|
زیرو پوائنٹ درجہ حرارت میں اضافہ |
±0.1%FS/10 ڈگری |
|||
|
مکمل رینج درجہ حرارت بڑھے |
±0.3%FS/10 ڈگری |
|||
|
جواب وقت |
1ms سے کم یا اس کے برابر |
|||
|
پائیداری |
107دباؤ کے حلقے |
|||
|
موصلیت مزاحمت |
1000MΩ/500VDC سے بڑا یا اس کے برابر |
|||
|
حساس اجزاء کا مواد |
٪7b٪7b0٪7d٪7dPH |
|||
|
لوڈ |
موجودہ آؤٹ پٹ کی قسم: RL 50× سے کم یا اس کے برابر (Vcc-8 )Ω وولٹیج آؤٹ پٹ کی قسم: RL 2KΩ سے بڑا یا اس کے برابر |
|||
|
آئی پی کی درجہ بندی |
IP65، IP67 |
|||
|
درمیانی درجہ حرارت کی حد |
-40~+105 ڈگری |
|||
|
جھٹکا |
50g,11ms, GB/T2423۔{3}} |
|||

